Мотор-редукторы спироидные типа МРВ
Назначение
Мотор-редукторы МРВ предназначены для привода малогабаритной химической аппаратуры с перемешивающими устройствами.
Условия применения редукторов:
- нагрузка постоянная и переменная по величине (в пределах допускаемого крутящего момента) и направлению;
- работа длительная и с периодическими остановками;
- вращение выходного вала в любую сторону;
- атмосфера типов I и II при запыленности воздуха не более 10 мг/м3;
- климатическое исполнение У для категории размещения 3, климатическое исполнение УХЛ и О для категорий размещения 4;
- условия эксплуатации в части воздействия механических факторов внешней среды по группе М1.

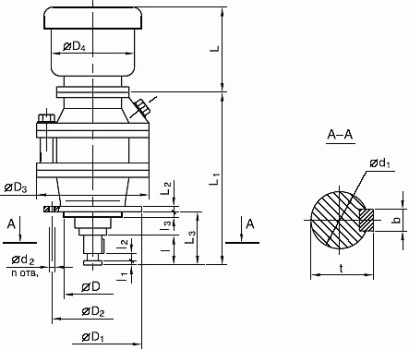
Рис. 1. Габаритные и присоединительные размеры
Габаритные размеры комплектующих электродвигателей|
Габарит
|
L, мм
|
D4, мм
|
Масса, кг
|
|
4А56А4
|
170
|
120
|
4,3
|
|
4А63А4
|
220
|
130
|
6,1
|
|
4A71A4
|
245
|
200
|
15,7
|
|
4A71B4
|
245
|
200
|
15,7
|
|
В63А4
|
245
|
160
|
20
|
|
В71B4
|
265
|
200
|
23
|
|
Размеры, мм
|
МРВ 02
одноступенчатый |
МРВ 02
двухступенчатый |
МРВ 04
|
|
D
|
80h9
|
80h9
|
110h9
|
|
D1
|
130
|
130
|
175
|
|
D2
|
110
|
110
|
150
|
|
D3
|
152
|
152
|
205
|
|
l
|
33
|
33
|
45
|
|
l1
|
2
|
2
|
2
|
|
l2
|
3
|
3
|
3
|
|
l3
|
5
|
5
|
6
|
|
L1max
|
160
|
208
|
244
|
|
L2
|
9
|
9
|
10
|
|
L3
|
60
|
60
|
80
|
|
d1
|
18K6
|
18K6
|
22К6
|
|
t
|
20,5
|
20,5
|
24,5
|
|
b
|
6h9
|
6h9
|
6h9
|
|
d2
|
11
|
11
|
11
|
|
n
|
3
|
3
|
4
|
|
Масса без электродвигателя, кг
|
5,6
|
5,6
|
11,3
|
Пример условного обозначения:
Мотор-редуктор МРВ
- МРВ 02 — тип мотор-редуктора;
- 16 — фактическое передаточное число редукторной части;
- 0,25 — мощность электродвигателя, кВт;
- 85 — номинальная частота вращения выходного вала, об/мин;
- 4A63А4 — комплектующий электродвигатель;
- У — климатическое исполнение;
- З — категория размещения.
