Редукторы ВК-350, ВК-475, ВК-550

Технические характеристики
|
Типоразмер редуктора
|
Передаточное отношение
|
Частота вращения входного вала, мин -1
|
Номинальный крутящий момент на выходном валу, Нхм
|
|
ВК-350
|
10; 16; 31,5; 50
|
1000...600
|
85...725
|
|
ВК-475
|
20; 28; 50; 112
|
1300...1950
|
|
|
ВК-550
|
18; 31,5; 71; 125
|
2000...2400
|
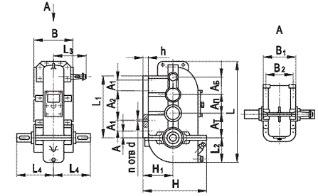
Габаритные и присоединительные размеры

|
Тип редуктора
|
АБ
|
АП
|
АТ
|
A
|
A1
|
А2
|
В
|
В1
|
В2
|
H
|
H1
|
|
ВК-350
|
90
|
130
|
130
|
50
|
-
|
185
|
170
|
220
|
185
|
298
|
150
|
|
ВК-475
|
105
|
160
|
210
|
50
|
80
|
200
|
255
|
250
|
215
|
458
|
220
|
|
ВК-550
|
140
|
190
|
220
|
50
|
80
|
320
|
285
|
280
|
245
|
486
|
235
|
|
Тип редуктора
|
h
|
L
|
L1
|
L2
|
L3
|
L4
|
d
|
n, шт.
|
Масса,кг
|
|
ВК-350
|
20
|
558
|
280
|
132
|
198
|
180
|
17
|
4
|
120
|
|
ВК-475
|
25
|
790
|
482
|
200
|
243
|
260
|
17
|
8
|
215
|
|
ВК-550
|
25
|
880
|
557
|
215
|
258
|
280
|
17
|
8
|
279
|
Размеры концов валов
Входной Выходной
|
Типоразмер редуктора
|
d
|
d1
|
d2
|
l
|
l1
|
b
|
t
|
d3
|
l2
|
b1
|
t1
|
|
мм
|
|||||||||||
|
ВК-350
|
30
|
45
|
М20х1.5
|
80
|
60
|
8
|
16,5
|
35
|
55
|
10
|
38,5
|
|
ВК-475
|
40
|
50
|
М24х2
|
110
|
82
|
10
|
20,95
|
65
|
110
|
18
|
69
|
|
ВК-550
|
40
|
50
|
М24х2
|
110
|
82
|
10
|
20,95
|
80
|
110
|
22
|
85
|
