Цилиндрические с зацеплением Новикова трехступенчатые типа ЦТНД-315
Назначение:
Редукторы с двумя линиями зацепления применяются для приводов конвейеров, элеваторов, питателей и других машин, эксплуатируемых в угольной промышленности.
Условия применения:
— нагрузка знакопеременная;
— вращение валов в любую сторону;
— частота вращения входного вала не более 1500 об/мин;
— климатическое исполнение У1 ГОСТ
Варианты сборки:

Технические характеристики:
| Передаточное число | номинальное | 50 | 63 | 80 | 100 | 125 | 160 |
| фактическое | 48,22 | 59,73 | 80,48 | 97,02 | 120,18 | 155,07 | |
| Номинальный крутящий момент, кНм | 9 | ||||||
| Радиальная консольная нагрузка на вал, Н | выходной | 48 000 | |||||
| входной | 1 075 | ||||||
| Номинальная частота вращения входного вала, об/мин | 1 500 | ||||||
| КПД | 0,96 | ||||||
| Объем заливаемого масла, л | 21,5 | ||||||
| Масса, кг | 505 | ||||||
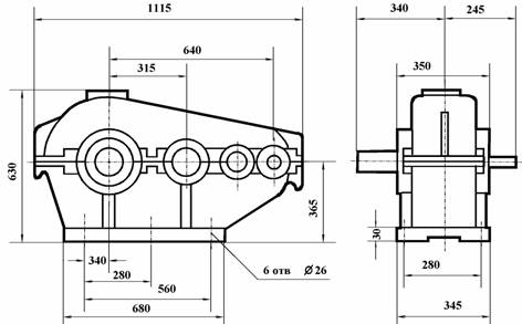
Габаритные размеры:

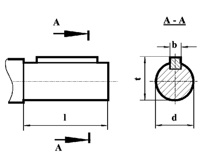
Размеры концов валов:

| Параметр | l | d n6 | b | t | |
| Вал | вх | 58 | 32 | 10 | 35 |
| вых | 165 | 110 | 28 | 116 | |
