Редукторы цилиндрические горизонтальные двухступенчатые. Тип Ц2У-315Н,355,400Н.
Назначение:
Редукторы цилиндрические горизонтальные двухступенчатые с передачами Новикова серии Ц2У
являются приводами общего назначения и предназначены для увеличения крутящего момента и
уменьшения частоты вращения различных машин и механизмов.
Условия применения:
- нагрузка постоянная и переменная в пределах номинального крутящего момента, одного направления
- и реверсивная;
- работа длительная (до 24 ч. в сутки) или с периодическими остановками;
- вращение валов в любую сторону без предпочтительности, частота вращения входного вала до
- 1500 об/мин;
- атмосфера типа I и II по ГОСТ 15150-69 при запыленности воздуха не более 10 мг/м3;
- климатические исполнения - У1, У2, УЗ, УХЛ4, Т1,Т2, ТЗ и О4 по ГОСТ 15150 - 69.
Редуктор Ц2У 315Н-25-12 Ц У2, где:
- Ц2У– цилиндрический двухступенчатый редуктор;
- 315– межосевое расстояние тихоходной ступени, мм;
- 25– номинальное передаточное число;
- 12– вариант сборки;
- Ц– цилиндрический конец тихоходного вала;
- У– климатическое исполнение;
- 2– категория размещения.

Технические характеристики
|
Типоразмер редуктора
|
Ц2У-315Н
|
||||||||||
|
Номинальное передаточное отношение редуктора, i
|
8
|
10
|
12,5
|
16
|
20
|
25
|
31,5
|
40
|
50
|
||
|
Номинальный крутящий момент на тихоходном валу, Т, Нхм
|
8000
|
8100
|
7700
|
7800
|
900
|
7600
|
7500
|
||||
|
Номинальная частота вращения быстроходного вала, с -1 (об/мин)
|
25(1500)
|
||||||||||
|
Номинальная радиальная консольная нагрузка, приложенная в середине посадочной поверхности выходного конца вала, Н
|
быстроходного
|
4000
|
2000
|
||||||||
|
тихоходного
|
цилиндрический конец
|
22400
|
|||||||||
|
конец вала в виде части зубчатой полумуфты
|
26800
|
||||||||||
|
Масса, кг
|
510
|
||||||||||
|
Типоразмер редуктора
|
Ц2У-355Н
|
||||||||||
|
Номинальное передаточное отношение редуктора, i
|
8,0
|
10,0
|
12,5
|
16,0
|
20,0
|
25,0
|
31,5
|
40,0
|
50,0
|
||
|
Номинальный крутящий момент на тихоходном валу, Т, Нхм
|
14000
|
||||||||||
|
Номинальная частота вращения быстроходного вала, с -1 (об/мин)
|
25(1500)
|
||||||||||
|
Номинальная радиальная консольная нагрузка, приложенная в середине посадочной поверхности выходного конца вала, Н
|
быстроходного
|
5600
|
3150
|
||||||||
|
тихоходного
|
цилиндрический
конец
|
40000
|
|||||||||
|
конец вала в виде части зубчатой полумуфты
|
50000
|
||||||||||
|
Масса, кг
|
700
|
||||||||||
|
Типоразмер редуктора
|
Ц2У-400Н
|
||||||||||
|
Номинальное передаточное
отношение редуктора, i |
8,0
|
10,0
|
12,5
|
16,0
|
20,0
|
25,0
|
31,5
|
40,0
|
50,0
|
||
|
Номинальный крутящий
момент на тихоходном валу, Т, Нхм |
16100
|
16300
|
16100
|
15500
|
15600
|
15900
|
15600
|
14600
|
|||
|
Номинальная частота
вращения быстроходного вала, с -1 (об/мин) |
16,(6)
(1000)
|
25(1500)
|
|||||||||
|
Номинальная р
адиальная консольная нагрузка, приложенная в середине посадочной поверхности выходного конца вала, Н |
быстроходного
|
7100
|
3150
|
||||||||
|
тихо-
ходного |
цилин-
дрический конец
|
31500
|
|||||||||
|
конец вала
в виде части зубчатой полумуфты |
37800
|
||||||||||
|
Масса, кг
|
930
|
||||||||||
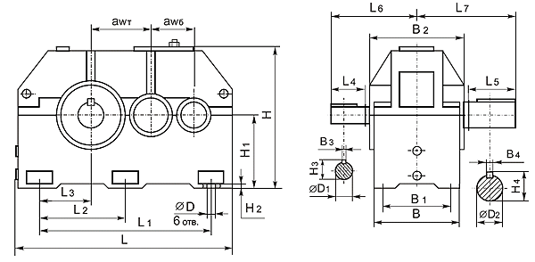
Габаритные и присоединительные размеры

|
Типоразмер редуктора
|
awб
|
awт
|
L
|
L1
|
L2
|
L3
|
L4
|
L5
|
L6
|
L7
|
|||||||||||||
|
Ц2У-315Н
|
200
|
315
|
1045
|
740
|
370
|
215
|
110
|
210
|
300
|
420
|
|||||||||||||
|
1Ц2У-355
|
225
|
355
|
1170
|
850
|
425
|
250
|
320
|
440
|
|||||||||||||||
|
Ц2У-400Н
|
250
|
400
|
1320
|
950
|
475
|
280
|
140
|
250
|
380
|
500
|
|||||||||||||
|
Типоразмер редуктора
|
H
|
H1
|
H2
|
H3
|
H4
|
B
|
B1
|
B2
|
B3
|
B4
|
ØD
|
ØD1
|
ØD2
|
||||||||||
|
Ц2У-315Н
|
685
|
335
|
35
|
54
|
116
|
340
|
260
|
395
|
14
|
28
|
28
|
50m6
|
110m6
|
||||||||||
|
1Ц2У-355
|
740
|
375
|
59
|
132
|
360
|
280
|
435
|
16
|
32
|
55m6
|
125m6
|
||||||||||||
|
Ц2У-400Н
|
835
|
425
|
42
|
64
|
148
|
410
|
330
|
475
|
18
|
36
|
35
|
60m6
|
140m6
|
||||||||||
Размерыконических концов валов

Входной вал Выходной вал
|
Типоразмер
|
Конический конец быстроходного вала
|
||||||||
|
а1
|
а2
|
а3
|
а4
|
а5
|
Øа6
|
Øа7
|
а8
|
Øа9
|
|
|
Ц2У-315Н
|
110
|
82
|
41
|
12
|
48,9
|
45,9
|
50
|
300
|
М36х3
|
|
1Ц2У-355
|
14
|
54,4
|
50,9
|
55
|
320
|
||||
|
Ц2У-400Н
|
140
|
105
|
52,5
|
16
|
58,75
|
54,75
|
60
|
380
|
М42х3
|
|
Типоразмер
|
Конический конец тихоходного вала
|
||||||||
|
b1
|
b2
|
b3
|
b4
|
b5
|
Øb6
|
Øb7
|
b8
|
Øb9
|
|
|
Ц2У-315Н
|
210
|
165
|
82.5
|
25
|
106,75
|
101,75
|
110
|
420
|
M80x4
|
|
1Ц2У-355
|
28
|
122,75
|
116,75
|
125
|
440
|
M90x4
|
|||
|
Ц2У-400Н
|
250
|
200
|
100
|
32
|
137
|
130
|
140
|
500
|
M100x4
|
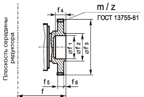
Размеры конца тихоходного вала в виде зубчатой полумуфты

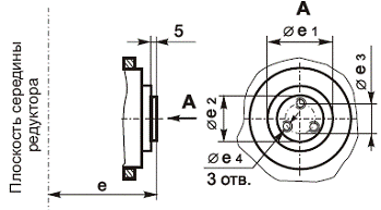
Размеры конца тихоходного вала для присоединения приборов и автоматики


Размеры конца тихоходного вала для присоединения приборов и автоматики

|
Типоразмер редуктора
|
Размеры, мм
|
|||||||||||||
|
Исполнение в виде части зубчатой полумуфты
|
Исполнение для присоединения приборов и автоматики
|
|||||||||||||
|
f
|
Ø f1
|
Ø f2
|
Ø f3
|
f4
|
f5
|
f6
|
m
|
z
|
e
|
Ø e1
|
Ø e2
|
Ø e3
|
Ø e4
|
|
|
Ц2У-315Н
|
275
|
110F8
|
130
|
252
|
65
|
30
|
10
|
6
|
40
|
200
|
110h10
|
75h8
|
55
|
M87H
|
|
1Ц2У-355
|
310
|
110F8
|
130
|
294
|
65
|
35
|
12,5
|
7
|
40
|
235
|
130h10
|
|||
|
322
|
170F8
|
200
|
348
|
68
|
40
|
12
|
6
|
56
|
||||||
|
Ц2У-400Н
|
335
|
150F8
|
180
|
336
|
65
|
40
|
15
|
8
|
40
|
240
|
140h10
|
75h9
|
||
|
170F8
|
200
|
348
|
68
|
40
|
12
|
6
|
56
|
|||||||
