Редуктор цилиндрический двухступенчатый горизонтальный с зацеплением Новикова типа Ц2Н-450, 500, 630
Назначение:
Редукторы цилиндрические двухступенчатые горизонтальные с зацеплением Новикова общемашиностроительного применения типов Ц2Н-450, Ц2Н-500, Ц2Н-630, Ц2Н-710 предназначены для увеличения крутящего момента и уменьшения частоты вращения.Условия приминения:
- нагрузка постоянная и переменная;
- одного направления и реверсивная;
- работа длительная или с периодическими остановками;
- вращение валов в любую сторону.
Условные обозначения:
Ц2Н-630-25-12МС-УЗ- Ц2Н-тип
- 630-межосевое расстояние
- 25-номинальное передаточное число
- 12-вариант сборки
- М-конец выходного вала с концом в виде части зубчатой муфты
- С-исполнение с коллектором для присоединения к струйной системе смазки
- УЗ-климатическое исполнение и категория размещения
Технические характеристики
|
Типоразмер редуктора
|
1Ц2Н-450
|
||||||||||
|
Номинальное передаточное отношение редуктора, i
|
8,0
|
10,0
|
12,5
|
16,0
|
20,0
|
25,0
|
31,5
|
40,0
|
50,0
|
||
|
Номинальный крутящий момент на тихоходном валу, Т, Нм
|
35500
|
||||||||||
|
Номинальная частота вращения быстроходного вала, с -1 (об/мин)
|
16,(6)
(1000)
|
25 (1500)
|
|||||||||
|
Номинальная радиальная консольная нагрузка, приложенная в середине посадочной поверхности выходного конца вала, Н
|
быстроходного F1,
|
10000
|
6300
|
||||||||
|
Тихоходного F2
|
Цилиндрический конец вала
|
71000
|
|||||||||
|
конец вала в виде части зубчатой полумуфты
|
95000
|
||||||||||
|
Коэффициент полезного действия, %
|
98
|
||||||||||
|
Масса, кг, не более
|
1530
|
||||||||||
|
Типоразмер редуктора
|
1Ц2Н-500
|
||||||||||||
|
Номинальное передаточное
отношение редуктора, i |
8,0
|
10,0
|
12,5
|
16,0
|
20,0
|
25,0
|
31,5
|
40,0
|
50,0
|
||||
|
Номинальный крутящий
момент на тихоходном валу, Т, Нм |
45000
|
50000
|
45000
|
40000
|
|||||||||
|
Номинальная частота
вращения быстроходного вала, с -1 (об/мин) |
16,(6)
(1000)
|
25 (1500)
|
|||||||||||
|
Номинальная радиальная консольная нагрузка, приложенная в середине посадочной поверхности выходного конца вала, Н
|
быстроходного F1,
|
12500
|
8000
|
6300
|
|||||||||
|
Тихо-
ходного F2 |
Цилин-
дрический конец вала |
100000
|
|||||||||||
|
конец вала
в виде части зубчатой полу- муфты |
140000
|
||||||||||||
|
Коэффициент полезного
действия, % |
97
|
||||||||||||
|
Масса, кг, не более
|
2100
|
||||||||||||
|
Типоразмер
редуктора |
Ц2Н-630
|
|
|||||||||||||||||||||||||
|
Номинальное
передаточное отношение редуктора, i |
8.0
|
9.0
|
10.0
|
11.2
|
12.5
|
14.0
|
16.0
|
18.0
|
20.0
|
22.4
|
25.0
|
28.0
|
31.5
|
35.5
|
40.0
|
45.0
|
50.0
|
|
|||||||||
|
Номинальный
крутящий момент на тихоходном валу, Т, Нм |
71000
|
75000
|
71000
|
|
|||||||||||||||||||||||
|
Номинальная
частота вращения быстроходного вала, с -1 (об/мин) |
12,5
(750)
|
16,(6) (1000)
|
25 (1500)
|
|
|||||||||||||||||||||||
|
Номинальная радиальная консольная нагрузка, приложенная в середине посадочной поверхности выходного конца вала, Н
|
быстро-
ходного F1, |
10000
|
8000
|
6200
|
5200
|
4800
|
|
||||||||||||||||||||
|
Тихо-
ходного F2 |
цилин-
дриче- ский конец
вала |
66500
|
68500
|
66500
|
|
||||||||||||||||||||||
|
конец
вала в виде части зубчатой полу- муфты |
79800
|
82200
|
79800
|
|
|||||||||||||||||||||||
|
Коэффициент
полезного действия, % |
97
|
|
|||||||||||||||||||||||||
|
Масса, кг, не более
|
3691
|
||||||||||||||||||||||||||
|
Типоразмер
редуктора |
Ц2Н-710
|
||||||||||||||||||||||||||
|
Номинальное
передаточное отношение редуктора, i |
8.0
|
9.0
|
10.0
|
11.2
|
12.5
|
14.0
|
16.0
|
18.0
|
20.0
|
22.4
|
25.0
|
28.0
|
31.5
|
35.5
|
40.0
|
45.0
|
50.0
|
||||||||||
|
Номинальный
крутящий момент на тихоходном валу, Т, Н*м |
100000
|
71000
|
|||||||||||||||||||||||||
|
Номинальная
частота вращения быстроходного вала, с -1 (об/мин) |
12,5(750)
|
16,(6)
(1000)
|
20,83
(1250)
|
25 (1500)
|
|||||||||||||||||||||||
|
Номинальная радиальная консольная нагрузка, приложенная в середине посадочной поверхности выходного конца вала, Н
|
быстро-
ходного F1, |
13000
|
12000
|
10000
|
9000
|
8000
|
7000
|
6300
|
5800
|
||||||||||||||||||
|
Тихо-
ход- ного F2 |
цилин-
дри- ческий конец
вала |
79000
|
|||||||||||||||||||||||||
|
конец
вала в виде части зуб- чатой полу- муфты |
98000
|
||||||||||||||||||||||||||
|
Коэффициент
полезного действия, % |
97
|
||||||||||||||||||||||||||
|
Масса, кг, не более
|
4920
|
||||||||||||||||||||||||||
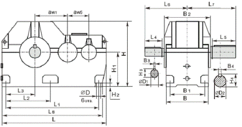
Габаритные и присоединительные размеры

|
Типоразмер
|
awб
|
awт
|
L
|
L1
|
L2
|
L3
|
L4
|
L5
|
L6
|
L7
|
L8
|
ØD
|
|
1Ц2Н-450
|
280
|
450
|
1470
|
1060
|
530
|
260
|
170
|
300
|
500
|
650
|
-
|
35
|
|
1Ц2Н-500
|
315
|
500
|
1650
|
1220
|
615
|
360
|
170
|
530
|
690
|
-
|
42
|
|
|
Ц2Н-630
|
400
|
630
|
1960
|
1770
|
970
|
575
|
210
|
360
|
610
|
760
|
1920
|
52
|
|
170
|
570
|
|||||||||||
|
Ц2Н-710
|
450
|
710
|
2250
|
2010
|
1060
|
660
|
210
|
410
|
660
|
870
|
2160
|
|
|
170
|
620
|
|
Типоразмер
|
ØD1
|
ØD2
|
H
|
H1
|
H2
|
H3
|
H4
|
B
|
B1
|
B2
|
B3
|
B4
|
|
1Ц2Н-450
|
80m6
|
160m6
|
870
|
450
|
50
|
85
|
169
|
590
|
515
|
630
|
22
|
40
|
|
1Ц2Н-500
|
90m6
|
180m6
|
1000
|
530
|
60
|
95
|
190
|
650
|
580
|
700
|
25
|
45
|
|
Ц2Н-630
|
110m6
|
220m6
|
1220
|
630
|
116
|
231
|
650
|
540
|
760
|
28
|
50
|
|
|
80m6
|
85
|
22
|
||||||||||
|
Ц2Н-710
|
125m6
|
250m6
|
1400
|
710
|
132
|
262
|
740
|
600
|
780
|
32
|
56
|
|
|
100m6
|
106
|
28
|
Размеры конических концов валов

Входной вал Выходной вал
|
Типоразмер
|
Конический конец быстроходного вала
|
||||||||
|
а1
|
а2
|
а3
|
а4
|
а5
|
Øа6
|
Øа7
|
а8
|
Øа9
|
|
|
1Ц2Н-450
|
170
|
130
|
65
|
20
|
78
|
73.5
|
80
|
500
|
М56х4
|
|
1Ц2Н-500
|
170
|
130
|
22
|
88,5
|
83,5
|
90
|
530
|
М64х4
|
|
|
Типоразмер
|
Конический конец тихоходного вала
|
||||||||
|
b1
|
b2
|
b3
|
b4
|
b5
|
Øb6
|
Øb7
|
b8
|
Øb9
|
|
|
1Ц2Н-450
|
300
|
240
|
120
|
36
|
156
|
148
|
160
|
650
|
М 125x4
|
|
1Ц2Н-500
|
40
|
177
|
168
|
180
|
690
|
М 140x6
|
|||
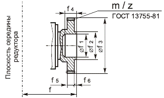
Размеры конца тихоходного вала в виде зубчатой полумуфты

|
Типоразмер редуктора
|
Размеры, мм
|
||||||||
|
Исполнение в виде части зубчатой полумуфты
|
|||||||||
|
f
|
Ø f1
|
Ø f2
|
Ø f3
|
f4
|
f5
|
f6
|
m
|
z
|
|
|
1Ц2Н-450
|
440
|
160F8
|
200
|
420
|
70
|
50
|
15
|
10
|
40
|
|
190F7
|
235
|
448
|
78
|
8
|
54
|
||||
|
1Ц2Н-500
|
470
|
160F8
|
200
|
420
|
70
|
50
|
15
|
10
|
40
|
|
200F7
|
245
|
500
|
85
|
60
|
20
|
10
|
48
|
||
|
Ц2Н-630
|
508
|
200F8
|
290
|
504
|
90
|
60
|
20
|
12
|
40
|
|
Ц2Н-710
|
545
|
||||||||
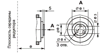
Размеры конца тихоходного вала для присоединения приборов и автоматики

|
Типоразмер редуктора
|
Размер, мм
|
||||
|
Исполнение для присоединения приборов и автоматики
|
|||||
|
e
|
Ø e1
|
Ø e2
|
Ø e3
|
Ø e4
|
|
|
1Ц2Н-450
|
330
|
180h10
|
75h9
|
55
|
M8-7H
|
|
1Ц2Н-500
|
360
|
190h10
|
|||
|
Ц2Н-630
|
400
|
100h9
|
|||
|
Ц2Н-710
|
410
|
260hl0
|
|||
