Редукторы цилиндрические горизонтальные 2Ц2
Назначение.
Редукторы цилиндрические горизонтальные с передачами Новикова серий 2Ц2 являются приводами общего назначения и предназначены для увеличения крутящего момента и уменьшения частоты вращения различных машин и механизмов.
Условия применения.
- нагрузка постоянная и переменная в пределах номинального крутящего момента, одного направления и реверсивная;
- работа длительная (до 24 ч. в сутки) или с периодическими остановками;
- вращение валов в любую сторону без предпочтительности, частота вращения входного вала до 1500 об/мин;
- атмосфера типа I и II по ГОСТ
15150—69 при запыленности воздуха не более 10 мг/м3; - климатические исполнения — У1, У2, УЗ, УХЛ4, Т1,Т2, ТЗ и О4 по ГОСТ 15150 — 69.
Пример записи условного обозначения:

Варианты сборки:

Технические характеристики:
|
Тип
|
Передаточное число
|
Номинальный крутящий момент на выходном валу, Нм
|
Номинальная передаваемая мощность, кВт
|
Допускаемая радиальная консольная нагрузка приложенная в середине посадочной части вала, Н
|
Масса, кг, не более
|
|||||
|
min
|
max
|
min
|
max
|
Выход.
|
Вход.
|
|||||
|
min
|
max
|
min
|
max
|
|||||||
|
2Ц2-100Н
|
6,3; 8; 10; 12,5; 16; 20; 25; 31,5; 40*; 25; 31,5; 40; 50; 63; 80; 100; 125;160
|
475
|
63 0
|
2
|
12
|
5300
|
6300
|
190
|
710
|
43
|
|
2Ц2-125Н
|
1200
|
1250
|
6
|
30
|
8500
|
9000
|
530
|
1120
|
89
|
|
|
2Ц2-160Н
|
2000
|
2000
|
10
|
50
|
10000
|
11000
|
670
|
2000
|
135
|
|
|
2Ц2-200Н
|
3800
|
5000
|
19
|
112
|
15400
|
17700
|
900
|
3500
|
263
|
|
|
2Ц2-250Н
|
7000
|
7500
|
38
|
175
|
21000
|
28000
|
2000
|
3200
|
585
|
|
|
2Ц2-280Н
|
9500
|
10000
|
50
|
237
|
24000
|
25000
|
2200
|
4750
|
760
|
|
Редукторы допускают кратковременные перегрузки в два раза превышающие номинальные, указанные в таблице и возникающие во время пуска и остановки двигателя при условии, если число циклов выходного вала за время действия этих перегрузок не превысит 5 • 10 4 в течение всего срока службы редуктора. В редукторе предусмотрена картерная непроточная система смазки. В корпус редукторов рекомендуется заливать следующие марки масел:
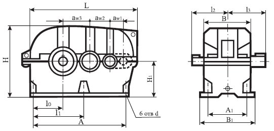
Габаритные размеры:

|
Тип
|
aw1
|
aw2
|
aw3
|
L
|
l0
|
l1
|
l2
|
l3
|
A
|
A1
|
B
|
B1
|
H
|
H1
|
d
|
|
2Ц2-100Н -
|
-
|
80
|
100
|
400
|
78
|
-
|
140
|
185
|
285
|
170
|
190
|
205
|
258
|
112
|
18
|
|
2Ц2-125Н -
|
-
|
100
|
125
|
525
|
100
|
-
|
170
|
235
|
365
|
205
|
235
|
255
|
310
|
132
|
18
|
|
2Ц2-160Н -
|
-
|
125
|
160
|
620
|
130
|
220
|
200
|
270
|
470
|
230
|
260
|
280
|
380
|
180
|
18
|
|
2Ц2-200Н -
|
-
|
160
|
200
|
780
|
155
|
265
|
250*
|
335
|
590
|
270
|
320
|
320
|
440
|
212
|
22
|
|
2Ц2-250Н -
|
-
|
200
|
250
|
940
|
210
|
370
|
320
|
375
|
740
|
330
|
400
|
400
|
565
|
280
|
26
|
|
2Ц2-280Н -
|
-
|
225
|
280
|
1070
|
235
|
415
|
330**
|
430
|
830
|
360
|
430
|
430
|
600
|
300
|
28
|
**при передаточном числе 31,5 l2 = 307
Размеры конического конца входного и выходного валов.

|
Тип
|
d
|
d1
|
l
|
l1
|
b
|
L
|
t
|
|
Входного вала
|
|||||||
|
2Ц2-100Н
|
20k6
|
18,2
|
50
|
36
|
4
|
154
|
19,7
|
|
2Ц2-125Н
|
28k6
|
25,9
|
60
|
42
|
5
|
188
|
31,9
|
|
2Ц2-160Н
|
38k6
|
35,1
|
80
|
58
|
6
|
222
|
37,6
|
|
2Ц2-200Н
|
48k6
|
43,9
|
110
|
82
|
12
|
278
|
46,9
|
|
36k6*
|
33,1*
|
80*
|
58*
|
6*
|
252*
|
35,6*
|
|
|
2Ц2-250Н
|
60k6
|
54,75
|
140
|
105
|
16
|
355
|
58,75
|
|
2Ц2-280Н
|
65m6
|
59,75
|
140
|
105
|
16
|
365
|
63,75
|
|
2Ц2-280Н*
|
50k6
|
45,9
|
110
|
82
|
12
|
335
|
48,9
|
|
Выходного вала
|
|||||||
|
2Ц2-100Н
|
50k6
|
45,9
|
110
|
82
|
12
|
213
|
48,9
|
|
2Ц2-125Н
|
65m6
|
61,5
|
140
|
105
|
16
|
270
|
65,5
|
|
2Ц2-160Н
|
85m6
|
78,5
|
170
|
130
|
20
|
310
|
83
|
|
2Ц2-200Н
|
100m6
|
83,5
|
170
|
130
|
22
|
345
|
88,5
|
|
2Ц2-250Н
|
125m6
|
116,75
|
210
|
165
|
28
|
420
|
122,75
|
|
2Ц2-280Н
|
140m6
|
130
|
250
|
200
|
32
|
480
|
137
|
Конец выходного вала для подключения приборов и автоматики.

|
Тип
|
d1
|
d2
|
d3
|
d4
|
l
|
|
2Ц2-100Н
|
50 h10
|
24h8
|
14
|
M6
|
5
|
|
2Ц2-125Н
|
65 h10
|
24h8
|
14
|
||
|
2Ц2-160Н
|
85 h10
|
75h8
|
55
|
M8
|
|
|
2Ц2-200Н
|
100h10
|
75h8
|
55
|
||
|
2Ц2-250Н
|
130h10
|
75h8
|
55
|
||
|
2Ц2-280Н
|
140h10
|
75h8
|
55
|
Исполнение редуктора с полым выходным валом:
— шлицевым

|
Тип
|
L
|
l1
|
l2
|
d
|
d1
|
|
2Ц2-160Н
|
270
|
90
|
90
|
70
|
70x2,5x9H
|
|
2Ц2-200Н
|
330
|
80
|
16
|
115H10
|
b-10x102x 112H12x16D9
|
-со шпоночным пазом

|
Тип
|
L
|
l1
|
l2
|
l3
|
d
|
d1H7
|
bjs9
|
t
|
|
2Ц2-100Н
|
206
|
100
|
30
|
23
|
50
|
45
|
14
|
48,8
|
|
2Ц2-125Н
|
245
|
125
|
40
|
20
|
60
|
55
|
16
|
59,3
|
|
2Ц2-160Н
|
270
|
130
|
40
|
30
|
75
|
70
|
20
|
74,9
|
|
2Ц2-200Н
|
330
|
190
|
40
|
30
|
95
|
90
|
25
|
95,4
|
|
2Ц2-250Н
|
420
|
210
|
70
|
35
|
130
|
125
|
32
|
132,4
|
|
2Ц2-280Н
|
450
|
240
|
70
|
35
|
130
|
125
|
32
|
132,4
|
Размеры концов цилиндрических валов.

