Редукторы 1Ц3У-160, 1Ц3У-200, 1Ц3У-250
Назначение:
Редукторы 1Ц3У-160 - 1ЦЗУ-250 зубчатые цилиндрические трехступенчатые узкие горизонтальные общего назначения служат для увеличения крутящего момента и уменьшения частоты вращения. По габаритным и присоединительным размерам аналогичны редукторам типа ЦЗУ, но имеют по сравнению с ними более высокую нагрузочную способность.Условия применения редукторов:
- нагрузка постоянная и переменная одного направления и реверсивная;
- работа длительная или с периодическими остановками;
- вращение валов в любую сторону;
- частота вращения входного вала не должна превышать 1800 об/мин.;
- атмосфера типов I и II по ГОСТ 15150 при запыленности воздуха не более 10 мг/м3.;
- климатические исполнения У, Т для категории размещения 1...3 и климатические исполнения УХЛ и О для категории размещения 4, а редукторы 1Ц3У - 160 климатического исполнения УХЛ категории 1...3 по ГОСТ 15150.
Пример условного обозначения в заказе
Редуктор 1Ц3У-200-160-12Ц У2, где:- 1Ц3У - цилиндрический трехступенчатый редуктор;
- 200 - межосевое расстояние тихоходной ступени, awт, мм;
- 160 - номинальное передаточное число;
- 12 - вариант сборки;
- У - климатическое исполнение;
- 2 - категория размещения;
- Ц - цилиндрическое исполнение конца выходного вала(K - коническое исполнение, М - муфтовое исполнение).
Редукторы рассчитаны для работы в следующих условиях:
- работа длительная до 24 ч. в сутки или с периодическими остановками;
- работа в непрерывном и повторно-кратковременном режимах, нагрузка одного направления и реверсивная;
- вращение валов в любую сторону;
- частота вращения входного вала не превышает 1800 об/мин;
- климатические исполнения У1, У2, У3, УХЛ4, Т1, Т2, Т3 и О4 по ГОСТ
15150—69; - атмосфера типов I и II по ГОСТ
15150—69 при запыленности воздуха не более 10 мг/м3.
|
Типоразмер
|
1Ц3У-160
|
1Ц3У-200
|
1Ц3У-250
|
|
|
|||
|
Межосевой расстояние, мм
|
160
|
200
|
250
|
|
Варианты сборки по ГОСТ 20373-80
|
11, 12, 13, 16, 17, 18, 21, 22, 23, 26, 27, 28, 31, 32, 33, 36, 37, 38
|
||
|
Номинальное передаточное число
|
31.5, 40, 45, 50, 56, 63, 80, 100, 125, 160, 200
|
16, 20, 25, 31.5, 40, 45, 50, 56, 63, 80, 100, 125, 160, 200
|
|
|
Номинальный крутящий момент на выходном валу при непрерывной работе с постоянной нагрузкой (ПВ=100%), Нм
|
1250
|
2500
|
5000
|
|
Номинальный крутящий момент на выходном валу при работе в повторно-кратковременных режимах, Нм
- тяжелом (ПВ=40%) - среднем (ПВ=25%) - легком (ПВ=15%) |
1600
2000 2500 |
3150
4000 5000 |
6300
8000 10000 |
|
Допускаемая радиальная консольная нагрузка, приложенная к середине посадочной части входного вала, Н
- непрерывный (Н) (ПВ=100%) - тяжелый (Т) (ПВ=40%) - средний (С) (ПВ=25%) - легкий (Л) (ПВ=15%) |
630
710 800 900 |
1250
1400 1600 1800 |
2240
2500 2800 3150 |
|
Допускаемая радиальная консольная нагрузка, приложенная к середине посадочной части выходного вала, Н
- непрерывный (Н) (ПВ=100%) - тяжелый (Т) (ПВ=40%) - средний (С) (ПВ=25%) - легкий (Л) (ПВ=15%) |
9000
10000 11200 12500 |
12500
14000 16000 18000 |
18000
20000 22400 25000 |
|
КПД, %, не менее
|
96
|
||
Примечание
- Редуктор
1Ц3У-160 с полым выходным валом не изготавливается; - Редуктор
1Ц3У-200 с симметричным полым выходным валом изготавливается с вариантами сборки 16, 26, 36; - Редуктор
1Ц3У-250 с несимметричным полым выходным валом изготавливается с вариантами сборки 17, 18, 27, 28, 37, 38; с цилиндрическим выходным валом с вариантами сборки 11, 12, 13, 21, 22, 23, 31, 32, 33; - Редукторы
1Ц3У-200, 1Ц3У-250 с выходными валами в виде части зубчатой муфты изготавливаются с вариантами сборки 11, 12, 21, 22, 31, 32; - Редуктор
1Ц3У-250 с выходным валом в виде части зубчатой муфты и паразитной шестерней изготавливается с вариантами сборки 11, 22, 31, 32; - Значения допускаемых крутящих моментов и радиальных консольных нагрузок для редуктора
1Ц3У-250 с цилиндрическим концом выходного вала должны быть снижены на 20%, а с передаточными числами 16, 20, 25 и для редуктора1Ц3У-200 с цилиндрическим концом выходного вала — 30%; - Допускаемая радиальная нагрузка на выходном валу для редукторов с вариантами сборки 13, 23, 33 и на входном валу с вариантами сборки 31, 32, 33, 36, 37, 38 должна быть уменьшена в два раза.
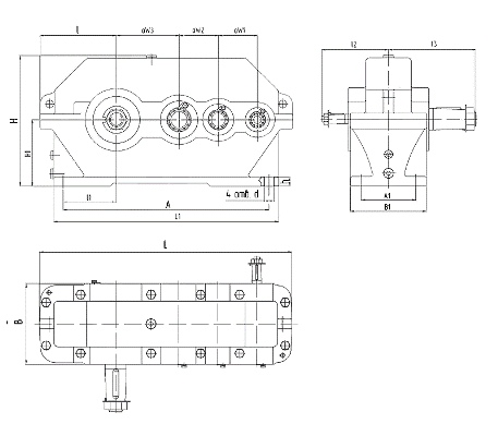
Габаритные и присоединительные размеры

|
Типо-
размер |
||||||||||||||||
|
aw1
|
aw2
|
aw3
|
L, не
более |
L1, не
бо- лее |
l
|
l1
|
l2
|
l3
|
H, не
бо- лее |
H1
|
A
|
A1
|
B
|
B1
|
d
|
|
|
1Ц3У-160
|
80
|
100
|
160
|
630
|
530
|
195
|
136
|
160
|
224
|
345
|
170
|
475
|
140
|
206
|
195
|
24
|
|
1Ц3У-200
|
100
|
124
|
200
|
775
|
650
|
236
|
165
|
190
|
280
|
425
|
212
|
580
|
165
|
243
|
230
|
|
|
1Ц3У-250
|
125
|
160
|
250
|
950
|
825
|
290
|
212
|
236
|
335
|
530
|
265
|
750
|
218
|
290
|
280
|
28
|
| Типоразмер | Размер, мм | Масса, кг | |||
| h | |||||
|
Алю- мин. кор- пус |
|
Алю- мин. кор- пус |
||
| 1Ц3У-160 | 24+-4 | 28-3 | 100 | 64 | |
| 1Ц3У-200 | 30+-4 | - | 190 | - | |
| 1Ц3У-250 | 32+-47 | 335 | |||
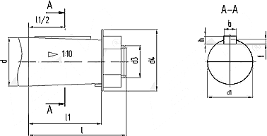
Размеры концов входных и выходных валов

|
Типоразмер
|
Вал
|
Размер, мм
|
||||||||
|
d
|
d1
|
d2
|
d3, не
более |
l
|
l1
|
b
|
h
|
t
|
||
|
1Ц3У-160
|
входной
|
20
|
18,2
|
М12x1,25
|
40
|
50
|
36
|
4
|
4
|
2,5
|
|
1Ц3У-200
|
25
|
22,9
|
М16x1,5
|
45
|
60
|
42
|
5
|
5
|
3,0
|
|
|
1Ц3У-250
|
35
|
32,1
|
М20x2,0
|
50
|
80
|
58
|
6
|
6
|
3,5
|
|
|
1Ц3У-160
|
выходной
|
55
|
50,90
|
М36x3,0
|
88
|
110
|
82
|
14
|
9
|
5,5
|
|
1Ц3У-200
|
70
|
64,75
|
М48x3,0
|
100
|
140
|
105
|
18
|
11
|
7,0
|
|
|
1Ц3У-250
|
90
|
83,50
|
М64x4,0
|
130
|
170
|
130
|
22
|
14
|
9,0
|
|
Размеры концов входных и выходных валов

|
Типоразмер
|
Вал
|
Размер, мм
|
|||
|
d
|
l
|
b
|
t
|
||
|
1Ц3У-160
|
входной
|
18k6
|
36
|
6
|
20,5
|
|
1Ц3У-200
|
22k6
|
42
|
6
|
24,5
|
|
|
1Ц3У-250
|
25k6
|
58
|
8
|
28
|
|
|
1Ц3У-160
|
выходной
|
50m6
|
105
|
14
|
53,5
|
|
1Ц3У-200
|
65m6
|
105
|
18
|
69
|
|
|
1Ц3У-250
|
85m6
|
170
|
22
|
90
|
|
Размеры концов выходных валов, выполненных в виде части зубчатой муфты.

|
Типоразмер
|
Размер, мм
|
||||||||
|
m
|
z
|
b
|
L
|
L1, не
менее |
k
|
B
|
d
|
d1
|
|
|
1Ц3У-160
|
4
|
40
|
20
|
48
|
20
|
19
|
28
|
72F7
|
95F7
|
|
1Ц3У-200
|
5
|
25
|
55
|
32
|
22
|
50
|
80F7
|
105F7
|
|
|
1Ц3У-250
|
4
|
56
|
35
|
63
|
16
|
31
|
120F8
|
170F7
|
|


Полые валы редукторов:



