Редукторы червячные одноступенчатые типа 2ЧМ
Назначение:
Редукторы червячные одноступенчатые серии 2ЧМ являются приводами общего назначения и предназначены для увеличения крутящего момента и уменьшения частоты вращения различных машин и механизмов.
Условия применения:
- нагрузка постоянная и переменная в пределах номинального крутящего момента, одного направления и реверсивная;
- работа длительная (до 24 ч. в сутки) или с периодическими остановками;
- вращение валов в любую сторону без предпочтительности, частота вращения входного вала до 1800 об/мин;
- атмосфера типа I и II по ГОСТ
15150—69 при запыленности воздуха не более 10 мг/м3; - климатические исполнения — У, Т (для категорий размещения 1...3), УХЛ и О (для категории размещения 4) по ГОСТ 15150 — 69.


Способ крепления: 1 — сборка без опорных лап, 2 — сборка с опорными лапами
Технические характеристики*:
|
U
|
2ЧМ-40
|
2ЧМ-63
|
2ЧМ-80
|
|||
|
M
|
P
|
M
|
P
|
M
|
P
|
|
|
8
|
28
|
0,64
|
105
|
2,4
|
210
|
4,72
|
|
10
|
28
|
0,53
|
100
|
1,85
|
200
|
3,34
|
|
12,5
|
26
|
0,40
|
93
|
1,3
|
190
|
2,9
|
|
16
|
30
|
0,38
|
120
|
1,45
|
210
|
2,52
|
|
20
|
30
|
0,38
|
110
|
1,1
|
210
|
1,90
|
|
25
|
28
|
0,25
|
100
|
0,76
|
210
|
1,58
|
|
31,5
|
36
|
0,23
|
130
|
0,89
|
260
|
1,63
|
|
40
|
33
|
0,21
|
120
|
0,69
|
240
|
1,22
|
|
50
|
31
|
0,17
|
120
|
0,57
|
240
|
0,99
|
|
63
|
26
|
0,17
|
93
|
0,37
|
200
|
0,95
|
|
80
|
18
|
0,07
|
93
|
0,27
|
170
|
0,50
|
|
Fвх
|
180
|
340
|
545
|
|||
|
Fвых
|
1730
|
3500
|
5200
|
|||
|
m
|
6,3
|
12,3
|
19
|
|||
М — номинальный крутящий момент на выходном валу, Нм;
Р — расчетная мощность редуктора на выходном валу, кВт, указана при частоте вращения 1500 об/мин;
F — номинальная радиальная консольная нагрузка на валу, Н
m — масса, кг.
Редукторы типа 2ЧМ отличаются повышенными нагрузочной способностью и ресурсом за счет реализации эффекта «безызносного» режима работы передачи, а также повышенной надежностью уплотнений из фторэластомера.
Габаритные размеры:

|
Тип
|
aw
|
L
|
L1
|
L2
|
L3
|
L4
|
B
|
B1
|
B2
|
B3
|
B4
|
H
|
h
|
h1
|
h2
|
|
2ЧМ-40
|
40
|
188
|
180
|
150
|
105
|
100
|
172
|
164
|
140
|
100
|
90
|
177
|
37
|
105
|
30
|
|
2ЧМ-63
|
63
|
245
|
220
|
180
|
150
|
135
|
198
|
197
|
165
|
125
|
100
|
225
|
40
|
150
|
45
|
|
2ЧМ-80
|
80
|
290
|
260
|
225
|
180
|
160
|
230
|
212
|
185
|
140
|
125
|
265
|
42
|
180
|
50
|

|
Тип
|
d
|
d1
|
t
|
b
|
l
|
|
2ЧМ-40
|
16
|
М5х15
|
15,25
|
3
|
28
|
|
2ЧМ-63
|
22
|
М8х20
|
20,8
|
4
|
36
|
|
2ЧМ-80
|
25
|
М8х20
|
23,85
|
5
|
42
|
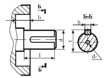
— цилиндрического

|
Тип
|
d
|
d1
|
t
|
b
|
l
|
l1
|
|
2ЧМ-40
|
18
|
М5х15
|
20,5
|
20,5
|
28
|
-
|
|
2ЧМ-63
|
28
|
М8х20
|
31
|
31
|
42
|
16
|
|
2ЧМ-80
|
35
|
М8х15
|
38
|
38
|
58
|
22
|

|
Тип
|
d
|
L
|
l
|
t
|
b
|
|
2ЧМ-40
|
18
|
112
|
28
|
20,8
|
6
|
|
2ЧМ-63
|
22
|
108
|
20
|
29,3
|
8
|
|
2ЧМ-80
|
25
|
116
|
24
|
38,3
|
10
|

|
Тип |
d |
d1 |
L |
l |
|
2ЧМ-40 |
23 |
22xH8x1,5x11H |
112 |
20 |
|
2ЧМ-63 |
33 |
32xH8x1,5x11H |
108 |
20 |
|
2ЧМ-80 |
41 |
40xH8x1,5x11H |
116 |
25 |
