Редукторы двухступенчатые типа Р (ГПШ)
Назначение.
Специальные крановые цилиндрические двухступенчатые редукторы серии Р (серии ГПШ) предназначены для использования в приводах механизмов передвижения грузоподъемных кранов, а также для увеличения крутящего момента и уменьшения частоты вращения различных машин и механизмов.
Условия применения.
- вращение валов в обе стороны;
- неагрессивная среда, умеренные агрессивность и влажность;
- диапазон рабочих температур −40°С до +50°С;
- скорость вращения быстроходного вала не более 1000 об/мин;
- эксплуатация в макроклиматических районах с умеренным (У), сухим и влажным тропическим (Т) климатом, категории размещения 2 по ГОСТ
15150—69.
Пример записи условного обозначения:

Варианты сборки:
![]()
Технические характеристики
вращения
входного
вала, об/мин
Исполнение
600
|
Передаточное число
|
номинальное
|
50
|
40
|
31,5
|
25
|
20
|
16
|
12,5
|
10
|
8
|
|
фактическое
|
48,7
|
40,17
|
31,5
|
23,34
|
20,49
|
15,75
|
12,64
|
10,35
|
8,23
|
|
|
Частота вращения входного вала, об/мин
|
Режим работы, %
|
Мощность на входном валу редуктора, кВт
|
||||||||
|
600
|
Особо легкий
|
71,0
|
65,0
|
59,0
|
50,0
|
40,0
|
35,5
|
26,5
|
20,5
|
18,4
|
|
ПВ=15
|
44,0
|
37,5
|
33,0
|
28,0
|
22,5
|
21,0
|
14,8
|
11,1
|
9,3
|
|
|
ПВ=25
|
38,0
|
33,0
|
29,0
|
24,5
|
19,8
|
17,6
|
12,9
|
9,7
|
8,1
|
|
|
ПВ=40
|
31,5
|
27,5
|
24,5
|
20,5
|
16,8
|
15,0
|
10,9
|
8,2
|
6,9
|
|
|
ПВ=10017,7
|
14,1
|
11,5
|
9,3
|
6,6
|
5,8
|
4,3
|
3,2
|
2,8
|
||
|
750
|
Особо легкий
|
82,0
|
75,0
|
68,0
|
61,0
|
49,5
|
44,0
|
33,5
|
27,5
|
22,5
|
|
ПВ=15
|
49,0
|
43,0
|
37,0
|
31,0
|
27,5
|
24,5
|
17,4
|
13,8
|
11,6
|
|
|
ПВ=25
|
42,5
|
37,0
|
32,0
|
27,0
|
24,0
|
21,0
|
15,1
|
12,0
|
10,1
|
|
|
ПВ=40
|
36,0
|
31,5
|
27,0
|
23,0
|
20,4
|
18,1
|
12,8
|
10,2
|
8,6
|
|
|
ПВ=10022,1
|
17,6
|
14,4
|
11,5
|
8,3
|
7,3
|
5,4
|
3,8
|
3,3
|
||
|
1000
|
Особо легкий
|
97,0
|
90,0
|
83,0
|
75,0
|
64,0
|
57,0
|
43,5
|
35,5
|
29,5
|
|
ПВ=15
|
52,5
|
48,5
|
43,0
|
35,5
|
31,0
|
28,0
|
24,0
|
18,1
|
14,6
|
|
|
ПВ=25
|
46,0
|
42,0
|
37,5
|
31,0
|
27,5
|
24,5
|
18,1
|
15,7
|
12,7
|
|
|
ПВ=40
|
39,0
|
35,5
|
32,0
|
26,0
|
23,0
|
20,5
|
15,4
|
13,4
|
10,8
|
|
|
ПВ=10026,8
|
23,5
|
19,2
|
15,4
|
11,0
|
9,7
|
7,2
|
5,2
|
4,3
|
||
|
1250
|
Особо легкий
|
109,0
|
102,0
|
95,0
|
86,0
|
81,0
|
64,0
|
53,0
|
44,0
|
36,5
|
|
ПВ=15
|
57,0
|
52,0
|
47,5
|
40,0
|
35,9
|
31,5
|
23,0
|
44,0
|
36,5
|
|
|
ПВ=25
|
49,5
|
44,5
|
41,5
|
35,0
|
31,0
|
27,5
|
20,5
|
18,5
|
14,7
|
|
|
ПВ=40
|
42,0
|
38,0
|
35,0
|
29,5
|
25,5
|
23,5
|
17,3
|
15,7
|
12,5
|
|
|
ПВ=100 34,5
|
26,5
|
24,0
|
19,3
|
13,8
|
12,1
|
9,0
|
6,5
|
5,4
|
||
|
1500
|
Особо легкий
|
112,5
|
111,0
|
104,0
|
96,0
|
90,0
|
81,0
|
63,0
|
52,0
|
43,0
|
|
ПВ=15
|
60,5
|
55,0
|
50,0
|
43,5
|
40,0
|
37,0
|
26,0
|
23,0
|
18,8
|
|
|
ПВ=25
|
52,5
|
47,5
|
43,5
|
38 0
|
34,5
|
32,0
|
22,5
|
20,0
|
16,3
|
|
|
ПВ=40
|
44,5
|
40,5
|
37,0
|
32 0
|
29,0
|
27,0
|
19,2
|
17,0
|
13,9
|
|

|
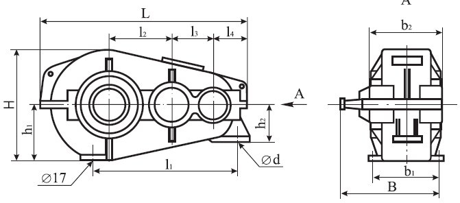
L
|
l1
|
l2
|
l3
|
l4
|
B
|
b1
|
b2
|
H
|
h1
|
h2
|
d
|
Масса, кг
|
|
|
Р — 400
|
826 | 573 | 250 | 150 | 128 | 442 | 270 | 310 | 480 | 240 | 160 | 26 | |
|
Р — 500
|
986
|
718
|
300
|
200
|
148
|
500
|
310
|
350
|
557
|
290
|
160
|
26
|
410
|
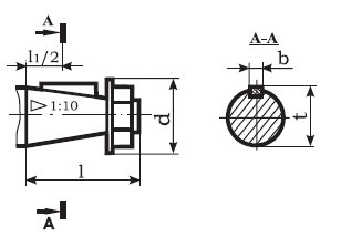
Размеры концов валов:
— выходного:

-входного:

|
l
|
d
|
b
|
t
|
|
|
Р — 400
|
85
|
75
|
12
|
48,9
|
|
Р — 500
|
110
|
70
|
12
|
50,9
|
