Редукторы РК 450, 500, 600

Технические характеристики
|
Тип
|
РК-450
|
РК-500
|
РК-600
|
|||||||
|
Допускаемая консольная радиальная нагрузка
|
Fвх
|
Fвых
|
Fзвых
|
Fвх
|
Fвых
|
Fзвых
|
Fвх
|
Fвых
|
Fзвых
|
|
|
При частоте вращения входного вала,об/мин
|
600
|
6,7
|
105
|
113,3
|
14
|
150
|
163,2
|
13
|
176
|
199
|
|
750
|
6,3
|
97,5
|
105
|
13
|
137
|
152,2
|
12
|
164
|
184,3
|
|
|
1000
|
5,5
|
88,5
|
96,1
|
11,5
|
124
|
137,8
|
10,5
|
150
|
168,2
|
|
|
1250
|
5
|
81,5
|
98,7
|
10,5
|
119
|
127,8
|
10
|
134
|
157
|
|
|
1500
|
4,6
|
79
|
89,2
|
9,9
|
111
|
124,4
|
9,1
|
128
|
154
|
|
|
Масса, кг
|
1030
|
1230
|
2130
|
|||||||
Fвх — допускаемая консольная радиальная нагрузка на входной вал, кН
Fвых — на выходной вал, кН
Fзвых — на выходной вал в виде зубчатой муфты, кН
Габаритные и присоединительные размеры.

|
Тип
|
aw1
|
aw2
|
L, не более
|
L1
|
L2
|
l, не более
|
l1
|
l1
|
l2
|
l3
|
l4
|
|
РК-450
|
300
|
450
|
1500
|
450
|
475
|
1030
|
620
|
275
|
230
|
491
|
100
|
|
РК-500
|
350
|
500
|
1640
|
510
|
550
|
1120
|
610
|
300
|
205
|
546
|
120
|
|
РК-600
|
400
|
600
|
1900
|
550
|
595,5
|
1360
|
870
|
350
|
250
|
639
|
200
|
|
Тип
|
В, не более
|
А1
|
B1
|
Н
|
Н1
|
H2
|
h
|
d
|
|
РК-450
|
510
|
450
|
356
|
743
|
320
|
130
|
35
|
25
|
|
РК-500
|
580
|
520
|
408
|
875
|
400
|
105
|
35
|
32
|
|
РК-600
|
660
|
590
|
472
|
965
|
400
|
200
|
40
|
32
|
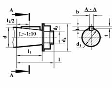
Размеры концов валов
Входной вал

|
Типоразмер
редуктора
|
d1
|
d2
|
d3
|
d4
|
l1
|
l2
|
b
|
h
|
t
|
|
РК-450
|
60
|
54,75
|
M42 x 3
|
94
|
140
|
105
|
16
|
10
|
6
|
|
РК-500
|
90
|
83,5
|
M64 x 4
|
130
|
170
|
130
|
22
|
14
|
9
|
|
РК-600
|
90
|
83,5
|
M64 x 4
|
130
|
170
|
130
|
22
|
14
|
9
|
Выходной вал


|
Редуктор
|
d
|
d1
|
d0
|
b
|
l
|
t
|
|
|
РК-450
|
110
|
+0.035
|
130
|
M16
|
28
|
165
|
120
|
|
-0.013
|
|||||||
|
РК-500
|
130 m 6
|
150
|
M20
|
32
|
200
|
141
|
|
|
РК-600
|
150 m 6
|
170
|
M20
|
36
|
200
|
162
|
|
Выходной вал
Исполнение М (в виде части зубчатой муфты).

|
Редуктор
|
Зацепление
|
L, не менее
|
l
|
K
|
B
|
d F7
|
d1 e8
|
||
|
m
|
z
|
b
|
|||||||
|
РК-450
|
6
|
56
|
40
|
75
|
16
|
32
|
68
|
170
|
260
|
|
РК-500
|
8
|
54
|
50
|
73
|
22
|
40
|
78
|
190
|
260
|
|
РК-600
|
10
|
48
|
60
|
70
|
16
|
50
|
85
|
200
|
280
|
|
8
|
54
|
50
|
22
|
40
|
78
|
190
|
260
|
||
