Шевронные двухступенчатые
Назначение:
Редукторы Ц2НШ-450-28, Ц2НШ-450-40 (аналоги
Условия применения:
- нагрузка постоянная и переменная по величине и направлению;
- вращение валов в любую сторону;
- частота вращения входного вала не более 750 об/мин;
- климатическое исполнение У1, УХЛ1, Т1 по ГОСТ
15150—69, а также предназначен для работы в умеренном и холодном (I2) микроклиматических районах по ГОСТ16350—80.
Пример записи условного обозначения:

Технические характеристики:
|
Тип |
Ц2НШ-450-28 |
Ц2НШ-450-40 |
Ц2НШ-560-56 |
||
|
Применяемо сть реду ктора в станке -качалке с тяго вым у с илие м, кН (т) |
30(3) |
60 (6) |
80 (8) |
100 (10) |
|
|
Номинальный крутящий мо мент на выходном валу, кНм |
7,1 |
28 |
40 |
56 |
|
|
Передаточное число |
фактическое |
39,8 |
39,93 |
37,18 |
40,29 |
|
номинальное |
40 |
||||
|
КПД |
0,95 |
||||
|
Объем заливаемого масла, л |
60 |
85 |
110 |
150 |
|
|
Масса сухая, кг |
860 |
2160 |
2735 |
3200 |
|
Выходной вал редуктора имеет на выходных концах два шпоночных паза, расположенных под углом 900, что позволяет устанавливать кривошипы в новое положение, при износе шпоночных пазов, или переводе работы выходного колеса на менее изношенный сектор зубчатого венца для увеличения срока службы редуктора.
Габаритные и присоединительные размеры:

|
Тип |
awl |
aw2 |
L |
L1 |
l1 |
l2 |
l3 |
l4 |
l4* |
l5 |
l0 |
l01 |
H |
H1 |
A1 |
B |
a |
|
Ц2НШ-450-28 |
280 |
450 |
1450 |
1150 |
330 |
330 |
330 |
1080 |
1124 |
1540 |
0 |
400 |
958 |
460 |
670 |
740 |
10° |
|
Ц2НШ-450-40 |
300 |
450 |
1484 |
1150 |
300 |
300 |
390 |
1300 |
1374 |
1912 |
75 |
380 |
968 |
470 |
775 |
865 |
0° |
|
Ц2НШ-560-56 |
355 |
560 |
1775 |
1150 |
300 |
300 |
390 |
1300 |
1374 |
1912 |
75 |
380 |
1130 |
540 |
775 |
870 |
0° |
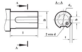
Размеры концов валов:
— входного (для вариантов)
|
Тип |
D |
l |
b |
h |
t |
d0 |
l2 |
l3 |
d3 |
b1 |
d1 |
t1 |
|
Ц2НШ-450-28 |
65h7 |
105 |
18 |
11 |
7 |
38 |
127 |
92 |
M48×3 |
18 |
65,4 |
69,4 |
|
Ц2НШ-450-40, Ц2НШ-560-56 |
80h7 |
133 |
22 |
14 |
9 |
40 |
170 |
130 |
М64×4 |
22 |
78,5 |
83,5 |
— выходного

|
Тип |
Ц2НШ-450-28 |
Ц2НШ-450-40, Ц2НШ-560-56 |
|
D |
120h8 |
160h9 |
|
1 |
165 |
203 |
|
b |
32 |
40 |
|
t |
11 |
13 |
|
d |
M16 |
M20 |
|
d0 |
95 |
100 |

