Цилиндрические трехступенчатые типа Ц3НК-450Ж
Назначение:
Редуктор
Условия применения:
— нагрузка знакопеременная;
— вращение валов в любую сторону;
— частота вращения входного вала не более 1500 об./мин;
— климатическое исполнение У1 ГОСТ
Технические характеристики:
| Номинальный крутящий момент на выходном валу, кНм | 33 | |||
| Передаточное число | номинальное | 63 | 90 | 125 |
| фактическое | 61,6 | 90,4 | 123,2 | |
| Допустимая радиальная нагрузка приложенная к середине посадочной части вала, Н | входного | 1250 | ||
| выходного | 22400 | |||
| Объем заливаемого масла, л | 70 | |||
| Масса, кг | 1670 | |||
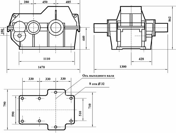
Габаритные и присоединительные размеры:

Размеры выходного вала:

Размеры входного вала:

